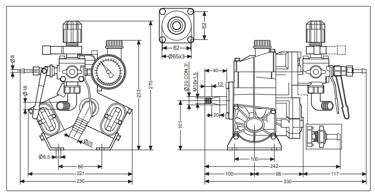
M-35 Pump (Imovilli Pompe, Italy)
3 diaphragm pump M-35 designed for operation with pesticides and disinfecting solutions in form solutions, emulsions and suspensions and is used in sprayers for protected ground (industrial greenhouses) series OTT all modifications.
Manifolds and increasingly wetted part made from anti-corrosion materials.


